Avantajlarınız
The cantilever rack is available in both a single and double-sided design and can be completely tailored to your needs in terms of size, load-bearing capacity, statics and accessories.
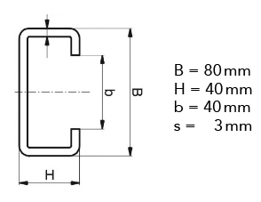
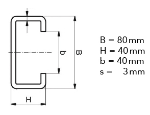
Each cantilever rack is individually designed and analysed. The load per beam and required usable depth are the design parameters for the cantilevers.
Standard values:
| Bay lengths |
Usable depth < 1 m |
Usable depth ab 1 m |
| 80 cm | 40 cm | 100 cm |
| 100 cm | 50 cm | 125 cm |
| 125 cm | 60 cm | 150 cm |
| 150 cm | 70 cm | 175 cm |
| 200 cm | 80 cm | 200 cm |
| 250 cm | 90 cm | 250 cm |
On request, we can also supply custom dimensions.
Sturdy wooden floor structures with underbridge beams are also popular as an alternative to gratings (1).
As an example, a usable depth of 125 cm and a bay length of 250 cm allow for 3 Euro pallets to be stored between two stands.
The roofs mounted on wooden beams have a 10° rising or falling (2) inclination. They are made of trapezoidal sheet metal, which is available in lengths of up to 7 m.

The cantilever rack is extremely durable thanks to its welded steel profiles and means storage space can be used cost-effectively.
The cross-braces and horizontal braces (3) matched to the bay length provide additional strength.

Upon request, all rack systems can be assembled by Tobler specialists and subsequently tested by rack inspectors in accordance with DIN EN 15635.
This ensures that you’re always on the safe side with Tobler, even for custom applications (4).
